Vermietung unserer mobilen Gasdruckregel- und Messanlage

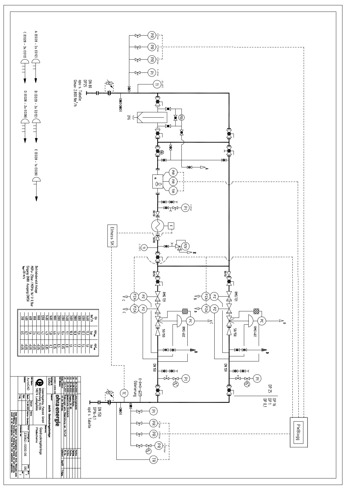
Sie benötigen im Rahmen einer Baumaßnahme eine Ersatzversorgung für den Energieträger Erdgas? Wir können Sie mit unserer mobilen Gasdruckregel- und Messanlage unterstützen. Die Anlage ist auf einem Tandem Isolierkofferanhänger mit zwei getrennten Betriebsräumen montiert. Im Elektrischen Betriebsraum befindet sich der elektrische Anschluss, die Niederspannungsunterverteilung, die Steuerung des elektrischen Vorwärmers sowie ein Datenlogger. Im Mess- und Regelraum ist eine Gasdruckregel- und Messanlage untergebracht, welche über einen Filter, eine Mengenmessung, einen Vorwärmer, redundanter Druckregelung und Sicherheitsabsperrventile sowie einer Impfdüse zur Odorrierung verfügt.

Als zusätzlichen Service bieten wir Ihnen an:

  • Beratung im Zuge der Planungsphase
  • Ausrüstung der Anlage für Ihre Einsatzzwecke
  • den Aufbau und die Inbetriebnahme der Anlage auf der Baustelle
  • Betriebsführung während der Bauzeit
  • die Außerbetriebnahme und den Abbau der Anlage

Technische Informationen 

Die mobile Gasdruckregel- und Messanlage wurde auf einem 2-achsigen Fahrgestell montiert, welches mit einem geschlossenen Koffer bebaut ist. Es gibt einen elektrischen Betriebsraum sowie einen Mess- und Regelraum für die Gasanlage.

Maße Gesamtanlage

Einheit

Wert

mit geschlossenen KlappenL x B x H (mm)ca. 6.000 x 2.000 x 2.500
mit geöffneten KlappenL x B x H (mm)ca. 7.330 x 5.600 x 3.500

Gesamtgewicht

 kg 3.500

Geschwindigkeit, max. zulässig

 km/h 80
DP upstreammax. 25 bar 
Nennweite im EingangDN 80
DP downstreammax. 16 bar
Nennweite im AusgangDN 150
Durchflussmenge Qb mit Zählermax. 250 m3 / h
Durchflussmenge Qb ohne Zählermax. 350 m3 / h

Hinweis: Der Zähler befindet sich im Vordruckbereich der Anlage. 

FiltertechnikThielmann Energietechnik Zellengasfilter zur hocheffizienten Staubabscheidung
MessungTECON Drohkoblengaszähler FMR
Honeywell Kompaktmengenumwerter EK 280
Honeywell Funktionseinheit FE 260
VorwärmungElmess E-Vorwärmer Typ DHK
Elmess Temperaturregler Typ DSTR60ALE
Emess Tmepeteraturfühler PT 100
SicherheitsabsperrventileHoneywell 720 I Kontrollgerät K1A I K16
Honeywell 721 I Kontrollgerät K1A I K16
GasdruckregelgeräteHoneywell 402 Stellglied
Honeywell 624 LP Regelgerät
Honeywell 630 Regelgerät
ImpfdüseLEWA MHA 3
StationsüberwachungPaul Wegener Datenlogger PWB-Logg N7/19
Hochdruckschlauchsysteme zum PipingHKS Wellrohrschlauchsysteme DN 50 IPN 25
HKS Wellrohrschlauchsysteme DN 80 IPN 25
HKS Wellrohrschlauchsysteme DN 150 IPN 16
  • Atmungs- und Ausblasleitungen für den Transport demontierbar
  • Gasdichte Wanddurchführungen für Kabel und Rohre zwischen den Betriebsräumen
  • Erdungsanschluss für Tiefenerder
  • separate Blitzschutzanlage zum Schutz der Gesamtanlage
     

Hinweis: Zusätzlich stehen eine Vielzahl von Kompensatoren, Winkeln, Reduzierungen und Standrohren für die Anbindung der Anlage zur Verfügung. Details dazu, finden Sie in unserem Leitfaden zur Station, welcher Ihnen auf Anfrage zum Download zur Verfügung steht.

In der mobilen Gasdruckregel- und Messanlage können brennbare Gase eingesetzt werden. Die möglichen Einsatzstoffe sind tabellarisch unter Angabe der zur Beurteilung der Explosionsschutzmaßnahmen notwendigen wesentlichen sicherheitstechnischen Kenngrößen in der  nachfolgenden Tabelle aufgelistet.

Stoffdaten und Sicherheitstechnische Kenngrößen auf Basis von Normbedingungen für:

EinsatzstoffMetan+ 10 % H2
AggregatzustandGasförmigGasförmig
EigenschaftenFarb- und geruchslosFarb- und geruchslos
Toxizitätungiftigungiftig
Untere Explosionsgrenze (UEG)4,4 Vol%3,8 Vol%
Obere Explosionsgrenze (OEG)17,0 Vol%17,8 Vol%
Sauerstoffkonzentration (LOC)9,9 Vol%9,4 Vol%
Siedepunkt-161,5 °C-161,5 °C
Dichte0,7175 kg/m30,7175 kg/m3
Zündtemperatur595°C595 °C
Mindestzündenergie (MIE)0,29 mJ0,29 mJ
Explosionsdruck8,1 bar8,3 bar

Weitere detaillierte Angaben zum Explosionsschutz sind im Explosionsschutzdokument hinterlegt und können bei Bedarf angefragt und zur Verfügung gestellt werden.

>> Ansicht vergrößern mit Klick auf das Bild

Zertifikate und Bescheinigungen können nach Absprache dem Mieter der mobilen Gasdruckregel- und Messanlage zur Verfügung gestellt werden. Kontaktieren Sie uns.

Vermietungs-Anfrage

Schicken Sie uns einfach eine kurze Anfrage per Online-Formular. 

Pipelineprojekt der Ferngas Netzgesellschaft mbH

Methan-Emissionen vermeiden

Die Ohra Energie hat im Auftrag der Ferngas Netzgesellschaft den Druck einer Erdgastransportleitung in Thüringen im  laufenden Betrieb mit ihrer mobilen Gasdruckregel- und Messanlage von 22 bar auf 1 bar abgesenkt. Anschließend musste für das fachgerechte Trennen der Leitung nur noch das verbliebene Rohrvolumen abgesaugt werden, bei einem Überdruck von etwa 1 bar. So konnten Methanemissionen deutlich reduziert werden.  

„Hand in Hand wird in Thüringen ein Beitrag zur Verringerung der Methanemissionen geleistet. Gemeinsam mit der Ohra Energie GmbH und deren mobiler GDRMA konnten wir im Projekt „Erneuerung EGL 441.15 Oberhof“ die Ausblasemengen erheblich reduzieren. Die Zusammenarbeit klappte reibungslos und das Projekt wurde termingerecht fertiggestellt."


Sven Pschribülla, Projektleitung Ferngas Netzgesellschaft mbH

Ihre Fragen, unsere Antworten

Im Anhänger ist ein Schlauchlager integriert. Vorgehalten werden jeweils 2 Edelstahlwellschläuche in den Nennweitern DN50, DN80 und DN 150. Diese haben jeweils eine Baulänge von 3300mm.

Auf Kundenwunsch können weitere Hochdruckschläuche für Ihre Baumaßnahme zur Verfügung gestellt werden. Nach der technischen Klärung benötigen wir circa 4 bis 6 Wochen für die Beschaffung.

Im Anhänger können für den Transport eine Vielzahl von Reduzierungen, Winkeln, Standrohren und Kompensatoren sowie das entsprechende Zubehör wie Schrauben, Muttern und Unterlegscheiben untergebracht werden.

Konkret können wir nachfolgende Formteile zur Verfügung stellen:

Vorhandene Reduzierungen
1 Stück Reduzierung DN 80 - DN 50 / PN 25

Baulänge 195 mm

1 Stück Reduzierung DN 150 - DN 100 / PN16

Baulänge 270 mm

1 Stück Reduzierung DN 150 - DN 80 / PN16Baulänge 345 mm
1 Stück Reduzierung DN 150 - DN 50 / PN16

Baulänge 240mm

  
Vorhandene Standrohre
1 Stück DN 50 / PN 25 Vorschweißflansch auf 1 Zoll Außengewinde 

Baulänge 800 mm

1 Stück DN 50 / PN 25 Vorschweißflansch auf 1 Zoll Außengewinde Baulänge 1100 mm
 1 Stück DN 50 / PN 25 Vorschweißflansch auf 2 Zoll Außengewinde  Baulänge 800 mm
 1 Stück DN 50 / PN 25 Vorschweißflansch auf 2 Zoll Außengewinde  Baulänge 1100 mm
  
Vorhandene Winkel
1 Stück Winkel DN 80 - DN 50 / PN 25 
1 Stück Winkel DN 80 - DN 80 / PN 25 
1 Stück Winkel DN 50 - DN 50 / PN 25 
1 Stück Winkel DN 150 - DN 150 / PN 16 
  
Vorhandene Kompensatoren
2 Stück Gummikompensator DN 50 / PN 25Baulänge 130 mm
1 Stück Gummikompensator DN 80 / PN 25Baulänge 130 mm
1 Stück Gummikompensator DN 150 / PN 16Baulänge 130 mm

Auf Kundenwunsch können weitere Formteile für Ihre Baumaßnahme zur Verfügung gestellt werden. Nach der technischen Klärung benötigen wir circa 4 bis 6 Wochen für die Beschaffung.
 

Mit der mobilen Gasdruckregel- und Messanlage können Ausgangsdrücke zwischen 23 mbar und 16 bar geregelt werden. Dazu stehen zwei verschiedene Druckregler zur Verfügung.

Der verbaute Datenlogger verfügt über eine MultiSim Karte und ist mit dem Mobilfunknetz verbunden. Statusmeldungen / Störmeldungen können via UMTS an E-Mailadressen oder Telefonnummern gesendet werden.

Für die mobile Gasdruckregel- und Messanlage wurde ein Leitfaden erstellt, der bei Bedarf zur Verfügung gestellt werden kann. In der Information wird neben dem Auf- und Abbau der Anlage auch der Normalbetrieb beschrieben.

WIR HELFEN IHNEN GERNE WEITER

Frank Niebergall

Frank Niebergall

Telefon: 03622 621-243